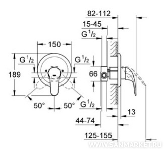
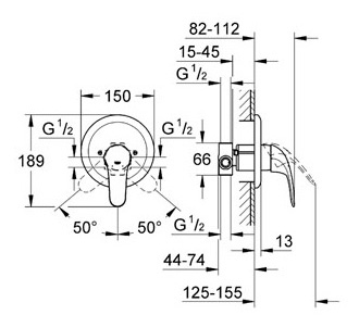
32742000
латунь
округлая
Grohe
Германия
5 лет
хром
внутренний (скрытый монтаж)
современный стиль
скрытая монтажная часть
для встраиваемых систем, для душа
однорычажное
излив отсутствует
смеситель
бытовая
1/2''
керамический картридж
на 1 отверстие
Смеситель Grohe Euroeco 32742000 для душа есть в наличии на наших складах. Вы можете купить модель Смеситель Grohe Euroeco 32742000 для душа от производителя с бесплатной доставкой при цене заказа от 25000 рублей. В интернет-магазине www.sanmarket.ru всегда низкие цены на Смесители для душа бренда . У нас выгодные условия обмена товара и широкие возможности по безналичной оплате.
Хотите получать актуальные остатки, прайс-листы и акции? Подпишитесь на канал! Мы не спамим!
Jaquar и Artize - совершенные решения для ванных комнат